개발보드의 회로도는 다음과 같습니다.
![]() |
각 부분에 대한 개략적인 설명을 덧붙이면 다음과 같습니다.
![]() |
![]() |
AP2112 레귤레이터로 전압이 들어오고 3.3V로 변환되어 나갑니다.
전압은 USB 를 통해 들어오는 5V 혹은 리튬이온 배터리를 통해 들어오는 3.7V 가 입력전압이 되고 출력전압 3.3V가 만들어집니다.

AP2112 는 작은 전압변환기입니다. 220V 를 110V 로 바꾸듯이 IC 에서 사용하는 작은 전압으로 변환할 때 사용되는 IC 입니다. AP2112 를 이용해 5V 혹은 3.7V를 3.3V로 변환시킵니다.
AP2112는 600mA 까지 출력 전류를 사용할 수 있습니다. AP2112 는 종류에 따라 1.2V, 1.8V, 2.5V, 2.6V, 3.3V의 고정 출력 전압을 만들어 줍니다. 이때 출력 정확도는 ±1.5%이며 SOT25, SOT89-5, SO-8 패키지로 제공됩니다.
혹시 나중에 AP2112 를 사용할 수도 있으니 조금만 더 살펴봅시다.

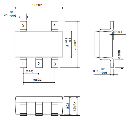
SO89-5, SO-8, SOT25 는 일반적으로 많이 사용되는 IC 패키지의 이름입니다. 각 패키지의 정확한 수치는 다음과 같습니다. 나중에 PCB 를 만들때 참고하세요.
![]() |
![]() |
별건 아니지만 나중에 정작 PCB 를 만들때 SOT25 에 대한 풋프린트를 어떤걸 써야할지 간혹 헤멜때가 있습니다. CAD 프로그램의 라이브러리에 잘 들어있으면 좋겠지만 그렇지 않은 경우에는 위 그림을 보며 그리면 됩니다. 모든 단위는 mm 입니다. SOT25 패키지가 일반적으로 널리 사용됩니다.
![]() |
![]() |
![]() |
SO-8 은 표면실장이 가능한 8핀짜리 패키지입니다. GND 를 6번과 7번 핀에 할당했습니다. GND 의 경우 많으면 많을 수록 좋습니다. 전기가 흐른다는 것은 곧 전자가 이동한다는 것인데, 전자는 GND 로 들어와서 다른 곳으로 나가기 때문입니다. 2, 3, 4 번 핀의 NC 는 Not Connected 의 뜻으로 사용하지 않는다는 의미입니다. IC의 이름에 NC가 있으면 그 핀은 필요없는 핀이라는 뜻입니다.
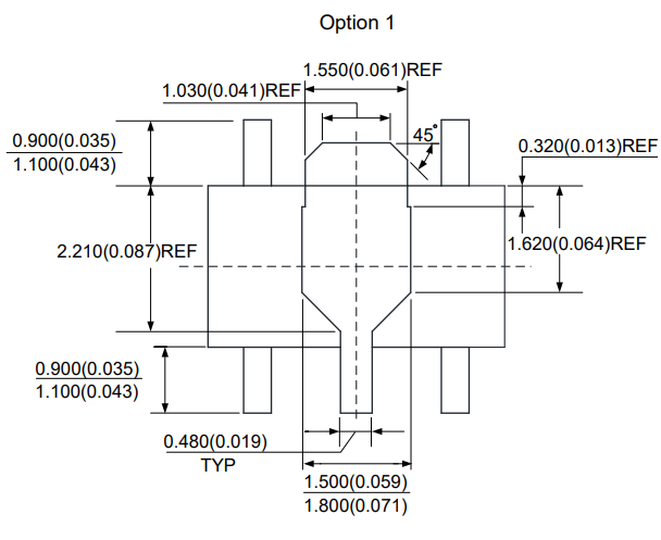
SOT89-5
조금 귀찮은 패키지입니다. AP2112 는 SOT89-5 를 지원하는데, 모양이 2종류가 있습니다. 언뜻보면 별로 달라보이지 않지만 잘 보시면 조금 다릅니다.
![]() |
![]() ![]() |
Option 1 과 Option 2 는 형태가 조금 다르고 R5 와 R5A 는 핀의 이름이 좌우가 바뀌어있습니다. 왜 이렇게 복잡하게 만들었는지 의이합니다만 일반적으로 SOT25 나 SO-8을 사용하기 때문에 SOT89-5 의 이런 복잡한 형태는 굳이 이해할 필요는 없습니다. 아마도 AP2112 라는 레귤러 IC 가 나오기전에 사용되던 다른 이름의 레귤러 IC 중에 SOT89-5 형태를 가지고 좌우에 핀이 다른 IC 들이 있었을것 같습니다. 그 IC 들을 대체할 수 있도록 이렇게 다양한 형태로 만든것은 아닐까 생각해봅니다.
데이터시트에서 제공해주는 기본 회로도는 다음 왼쪽 그림과 같습니다.
![]() |
![]() |
기본회로만 잘 지켜서 사용하면 별문제 없습니다. VIN 으로 입력전압이 들어가고, VOUT 으로 출력전압이 나옵니다. 입력전압과 출력전압에 각 1uF 의 커패시티를 넣어줍니다. 우리가 사용하려는 nRF52832 보드에 있는 AP2112 에서는 10uF 커패시티를 사용했습니다. 지금 같은 경우 커패시티가 해주는 일은 충분한 전기(전하)를 저장하고 혹시 모른 사건(갑자기 600mA이상의 전류를 사용하는 것 같은)이 발생할 때 보조해주는 것입니다. 그래서 1uF 을 데이터시트에서는 제시했지만 보드에서는 10uF 으로 10배 큰 것을 사용했습니다. 좋은거죠.
AP2112 주문하는 방법에 대해서 알아보겠습니다.
패키지 종류도 많고 그 안에 옵션도 있고 거기에 출력 전압도 여러가지여서 그냥 AP2112 를 주문하면 안됩니다. 마치 차를 구입할 때는 차의 정확한 이름을 알아야하고 그 안에 들어갈 여러가지 옵션들 - 네비게이션이나 기타 등등 - 을 알아야하는 것과 같습니다.
물론 이 내용들은 모두 AP2112 데이터시트에 들어있습니다. 아래쪽 레퍼런스에 링크되어 있습니다.

SOT25 패키지를 사용하고 출력 3.3V를 원한다면 AP2112K-3.3TRG1 을 주문하면 됩니다. 뒤 두자리는 선택의 여지가 없는 것이라 고민할 필요가 없습니다. Tape & Reel 패킹은 아래 사진처럼 개별 부품이 태잎안에 들어가 있는 릴형태가 됩니다. 물론 소규모로 구입할 때는 릴을 통째로 구입하지는 않고 이중 몇개만 잘라서 구입후 테잎을 뜯어 내용물을 꺼내어 사용합니다.
![]() |
![]() |
RoHS 는 유해물질 제한지침(Restriction of Hazardous Substances)의 약자로 유럽연합(EU)에서 시행되며 해로운 물질을 사용한 전자제품이나, 전기기기를 제한하는 지침입니다. 일반적으로 RoHS (알오에이치에스)라고 적습니다. 10개의 특정유해물질에 대한 금지 규정입니다. 여기에 G1은 Green 을 의미하고 RoHS에서 금지한 유해물질을 사용해서 제조하지 않았다는 뜻입니다. 최근에 주목받고 있는 RE100 과는 완전히 같은 의미는 아니지만 인간이 사는 지구라는 환경을 생각한다면 큰 의미에서는 같은 방향으로 나가고 있습니다. 아무리 좋은 물건을 만든다고 해도 만드는 사람들이 납중독에 걸리게 되거나 암에 걸리는 등의 유해한 환경과 재료를 사용한다면 문제가 있는 것이겠죠. 에너지와 함께 지구의 다른 구성원들도 모두 행복하게 살수 있는 기초적인 작업입니다.
10개의 특정 유해물질은 다음과 같습니다. 2002년 발표, 2006년부터 시행된 기존 6개 물질은 납(Pb), 카드뮴(Cd), 수은(Hg), 6가 크롬(Cr6+), PBBs(Polybrominated phenyls), PBDEs(Polybrominated diphenyl ethers) 입니다. 여기에 2019년 4개 물질 프탈레이트 4종 (DEHP, BBP, DBP, DIBP)이 추가 되었으며 의료기기 등은 2021년부터 규제 대상이 되었습니다.
납, 카드뮴, 수은은 이미 잘 알려진 유해물질이므로 굳이 더 설명할 필요가 없습니다. 크롬은 주기율료 6족 원소에 속하며 원자번호 24인 금속원소로 보통 2가, 3가, 6가로 존재합니다.

이중 가장 위험한 것이 6가 크롬으로 보통 도금, 착색, 플라즈마 처리등을 할때 발생합니다. 위험한 발암물질로 분류되고 있습니다. 이 외에 궁금한 다른 위험물질들은 별도로 구글링해서 살펴보시기 바랍니다.
[Reference]
https://components101.com/regulators/ap2112-cmos-ldo-regulator
https://pdf1.alldatasheet.com/datasheet-pdf/view/1354651/DIODES/AP2112.html
| MS50SFA2 & MS50SFB2 - nRF52832 모듈 (0) | 2022.03.27 |
|---|---|
| MS50SFA2 - nRF52832 모듈 (0) | 2022.03.27 |
| nRF52832 칩의 종류 (0) | 2022.02.23 |
| adafruit nRF52832 스터디 시작 (0) | 2022.02.22 |
| 컴퓨터 구조 이해하기 (0) | 2022.02.21 |