Operational Amplifier(연산 증폭기)의 약자로 고입력저항, 저출력 저항, 고개방 이득(Open Loop Gain)을 가지고 +입력단자(비반전 입력단자)와 -입력단자(반전압 입력단자) 간의 전압 차이를 증폭하는 기능을 갖는 차동증폭기이다.
OP Amp는 1회로 당 1)정측 전원 단자, 2)부측 전원 단자, 3)+입력 단자, 4)-입력 단자, 5)출력 단자로 구성된다.

입력 신호원 Vs, 신호원 출력 저항 Rs, OP Amp 의 입력 저항 Ri , OP Amp 의 출력 저항 Ro , 부하 저항 Rl, OP Amp 의 증폭률 Av 일때 입력전압 Vs 와 출력 전압 Vo 의 관계는 다음과 같습니다.
Vo = (Ri/(Ri+Rs))*Vs * (Rl/(Rl+Ro))*Av
OP Amp 는 +입력과 –입력간의 매우 작은 차전압을 증폭, 출력하므로 OP Amp 는 높은 증폭률을 갖는 것을 선정하는 것이 좋다.
다음 Voltage Follower 회로는 입력과 출력이 같아지는 회로이며 전압 Buffer 로 사용된다.

단자간 차전압을 증폭률로 증폭하면 출력전압은 다음과 같다.
VOUT = Av * ((VIN+) - (VIN-)) = Av * (VS - VOUT)
VOUT / Av = VS - VOUT
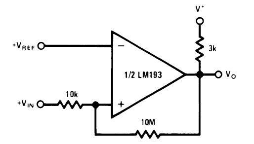
Voltage Comparator(비교기)의 단자 구조는 OP Amp 와 마찬가지로 +입력, -입력, 정측 전원, 음측 전원, 출력의 5 단자로 구성됩니다. 한쪽의 입력을 기준으로 하여 전압을 고정하고 다른 쪽에 입력되는 전압 차를 증폭시켜 High 또는 Low 를 출력합니다.
IF ( +입력 > -입력 )
THEN HIGH 출력
IF ( +입력 < -입력 )
THEN LOW 출력
OP Amp 와 Comparator 의 차이는 위상보상용량에 있습니다. OP Amp 는 부귀환 회로를 구성하므로 발진 방지용 위상보상용량이 필요하고 Comparator 는 부귀환 회로가 필요하지 않으므로 위상보상용량은 포함되지 않습니다. 즉, 그만큼 Comparator 는 응답성이 좋습니다. OP Amp 를 Comparator 로 사용하면 응답성이 제한되고, Comparator 사용시에 비해 응답성이 매우 떨어집니다.


| AP2112K-3.3 대체품 찾기 (0) | 2022.10.28 |
|---|---|
| AP2112K-3.3 대체품 찾기 (0) | 2022.10.07 |
| 멀티펑션테스터 - L 값 측정 (0) | 2022.07.21 |