LinearImageSensor
TCD132D
바람PCB
2023. 2. 26. 17:46

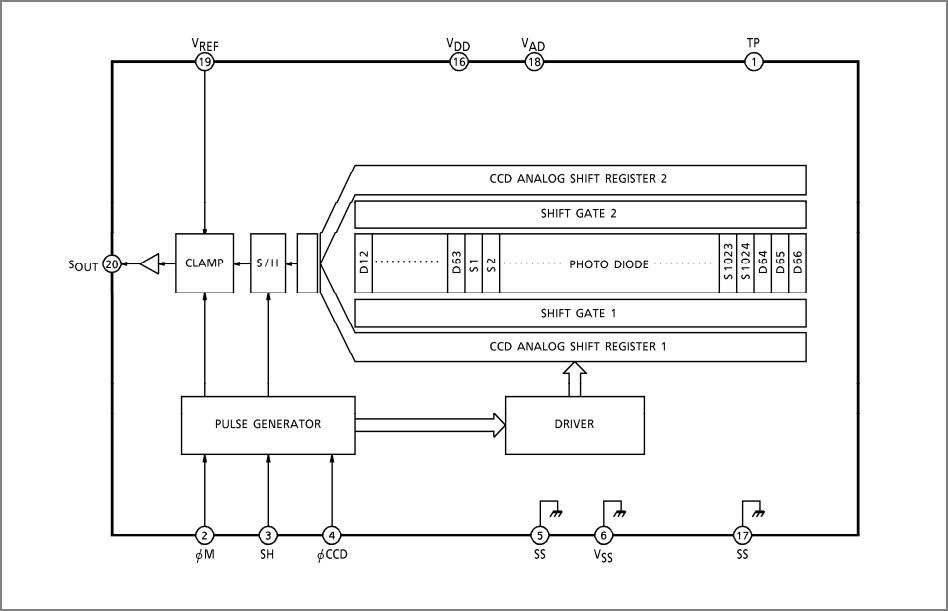
TCD132D는 Toshiba에서 생산하는 선형 CCD (charge-coupled device) IC (integrated circuit)입니다. 이 IC는 바코드 스캐너, 팩스 기계 및 문서 스캐너 등 다양한 응용 분야에서 광학 이미지를 전기 신호로 변환하는 데 사용됩니다.
TCD132D는 14μm x 14μm의 크기를 가진 1024개의 픽셀을 선형 배열로 구성하고 있습니다. 이 칩은 최대 클록 주파수가 4MHz이고, 최소 클록주파수는 0.4MHz 입니다.



TCD132D는 광학 이미지 감지 및 신호 처리 응용 분야에서 신뢰성이 높고 널리 사용된 CCD IC입니다.


Information

Timing


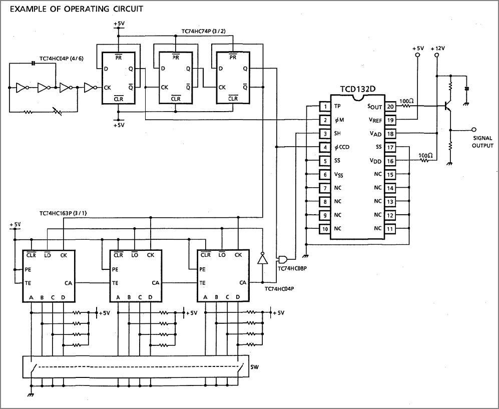
기본배선도
